鍋爐小常識分享-水管余熱鍋爐簡介
余熱鍋爐主要是將各種形式的煙氣余熱轉化為熱水或者蒸汽來供熱或供電,從總體上提高能源利用率。按照介質流動的不同,可以分為水管和火管余熱鍋爐。其中水管余熱鍋爐是水在管內流動,煙氣在管外流動。根據水循環動力的不同,可分為自然循環和強制循環余熱鍋爐兩種。


自然循環水管余熱鍋爐必須保證水循環的暢通,確保鍋爐安全運行。相對而言,強制循環水管式余熱鍋爐水循環較為穩定,鍋爐效率較高,結構緊湊,但對水質要求高且投資費用大,運行復雜,因此常用于大煙氣流量的工程。

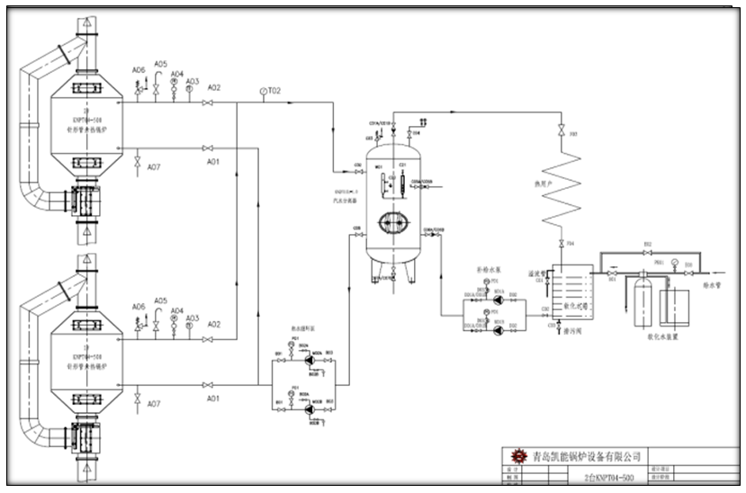
自然循環余熱系統

強制循環余熱系統
為保持余熱鍋爐效率,余熱鍋爐需定期清灰,保持煙道嚴密,防止吸入冷風。

如果您對我們余熱鍋爐產品感興趣,請致電400-100-9636,我們將竭誠為您服務!
以上文章來源于青島凱能環保科技股份有限公司(www.hanshuaijie.cn)
專注節能環保20年,轉載請注明出處。
此文關鍵字:水管余熱鍋爐
產品推薦
同類文章排行
- 凱能科技余熱鍋爐:多行業節能升級的核心動力
- 鐵合金煙氣余熱回收利用:綠色轉型新引擎
- 工業硅礦熱爐余熱鍋爐:賦能工業硅生產的 “節能利器”
- 余熱鍋爐:賦能焦化行業綠色低碳發展的關鍵裝備
- 化工領域中余熱鍋爐回收工業廢熱的應用
- 煙氣余熱脫硝一體化:破解能耗與排放雙重難題
- 必看!鐵合金行業如何借煙氣余熱回收實現華麗轉身?
- 礦熱爐余熱鍋爐,行業應用的多面優勢
- 高效節能的能源回收利器,發電機組余熱鍋爐
- 發電機組余熱鍋爐:能源高效利用的關鍵設備













魯公網安備 37028102000404號