鍋爐系統的水處理設備選擇
在和客戶交流鍋爐系統時,一般都會把鍋爐作為核心部件,而忽略水處理設備,殊不知,水處理設備對換熱器和鍋爐的選型設計起到極其重要的作用,與燃料或者煙氣共同決定這換熱面的選型和成本的控制,以及運行安全、運行和維護的成本。

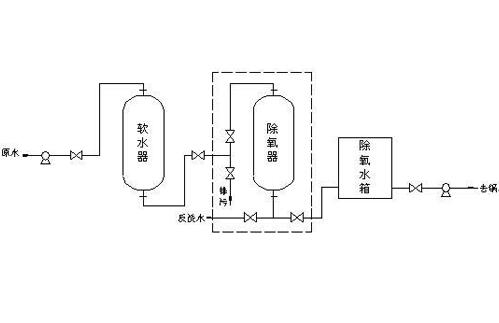
在一般的熱水鍋爐供暖系統中,鍋爐到換熱器的供暖一次網采用一般的鈉離子交換樹脂的軟化水裝置即可,符合GB/T1576-2018《工業鍋爐水質》。
在蒸汽供熱系統中,根據不同的壓力等級和使用設備,使用不同等級的水處理設備和方案,水質要求符合GB/T1576-2018《工業鍋爐水質》。但是一般都要有一級的預處理,過濾水里的顆粒雜質。

1、運行壓力在2.5MPa以內的常規工業蒸汽鍋爐,采用常規的軟化水設備,如果有含鐵量高的自來水,預處理采用曝氣池+錳砂過濾器。
2、蒸汽發生器因為換熱面比較細致,對水垢的耐受能力低于常規鍋爐,所以采用帶RO反滲透膜的水處理設備。
3、對于有其他行業特殊要求的,根據行業要求確定水質要求。
對于用于火力發電廠汽輪機組的蒸汽鍋爐,對水質的要求更高,要求采用GBT12145-2016《火力發電機組及蒸汽動力設備水汽質量》,根據具體要求采用相關除鹽水設備。
如果您對余熱鍋爐感興趣,請致電400-100-9636,我們將竭誠為您服務!

![]()

專注節能環保20年,轉載請注明出處。
產品推薦
同類文章排行
- 凱能科技余熱鍋爐:多行業節能升級的核心動力
- 鐵合金煙氣余熱回收利用:綠色轉型新引擎
- 工業硅礦熱爐余熱鍋爐:賦能工業硅生產的 “節能利器”
- 余熱鍋爐:賦能焦化行業綠色低碳發展的關鍵裝備
- 化工領域中余熱鍋爐回收工業廢熱的應用
- 煙氣余熱脫硝一體化:破解能耗與排放雙重難題
- 必看!鐵合金行業如何借煙氣余熱回收實現華麗轉身?
- 礦熱爐余熱鍋爐,行業應用的多面優勢
- 高效節能的能源回收利器,發電機組余熱鍋爐
- 發電機組余熱鍋爐:能源高效利用的關鍵設備













魯公網安備 37028102000404號