強制循環余熱鍋爐系統是怎么樣的?

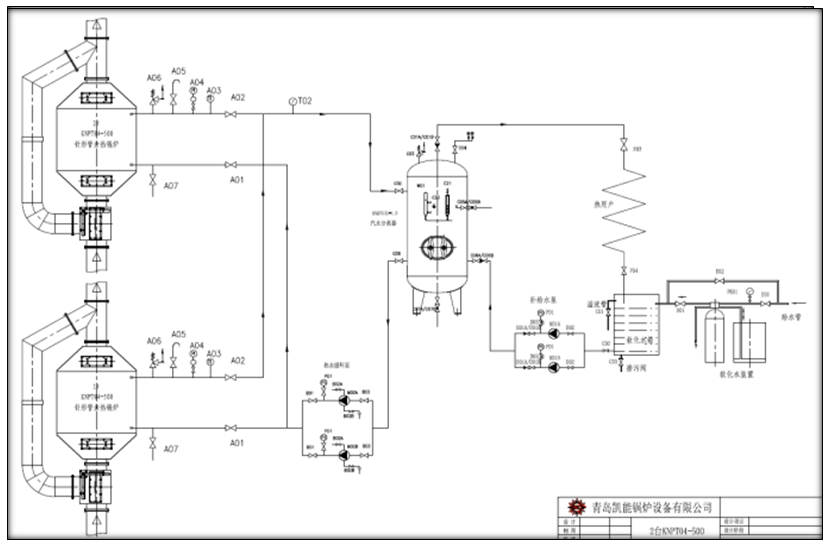
強制循環余熱鍋爐系統除了依靠上升管和下降管的工質密度差提供流動動力以外,主要是依靠循環泵的壓頭而被強制流動的。隨著鍋爐壓力參數的提高,汽水混合物與水的密度差減小,為了保證水循環的可靠性,在自然循環的基礎上發展了強制循環。

強制循環余熱鍋爐和直流鍋爐一樣,依靠給水泵提供工質流動的動力;和自然循環一樣,其系統內的工質需經過多次循環受熱,才能全部變成蒸汽。余熱鍋爐爐水經下降管進人循環水泵,升壓后流經分配集箱再進人各受熱面。

在蒸發管中,水經加熱蒸發而形成汽水混合物,強制送入鍋筒(必要時也可經集流集箱后再進入鍋筒)。強制循環余熱鍋爐蒸發受熱面都裝設了節流孔板以保證水量分配適當,裝設節流孔板時需根據各回路的水力特性,以達到均衡分配水量的目的。
如果您對余熱回收利用設備感興趣,請致電400-100-9636,我們將竭誠為您服務!

為客戶提供熱情舒適的服務是客服重要的使命,
我們將全身心的投入到工作中去,并耐心的為您
解答相關疑問,我們真誠的期待您的來訪。
![]()

以上文章來源于青島凱能環保科技股份有限公司(www.hanshuaijie.cn)
專注節能環保20年,轉載請注明出處。
下一篇:余熱鍋爐清灰方式有哪些?上一篇: 玻璃窯爐煙氣余熱鍋爐應用
此文關鍵字:強制循環余熱鍋爐系統
產品推薦
同類文章排行
- 凱能科技余熱鍋爐:多行業節能升級的核心動力
- 鐵合金煙氣余熱回收利用:綠色轉型新引擎
- 工業硅礦熱爐余熱鍋爐:賦能工業硅生產的 “節能利器”
- 余熱鍋爐:賦能焦化行業綠色低碳發展的關鍵裝備
- 化工領域中余熱鍋爐回收工業廢熱的應用
- 煙氣余熱脫硝一體化:破解能耗與排放雙重難題
- 必看!鐵合金行業如何借煙氣余熱回收實現華麗轉身?
- 礦熱爐余熱鍋爐,行業應用的多面優勢
- 高效節能的能源回收利器,發電機組余熱鍋爐
- 發電機組余熱鍋爐:能源高效利用的關鍵設備













魯公網安備 37028102000404號